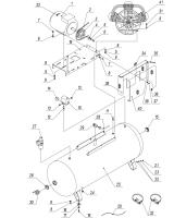
CБ4/Ф-500.LB75
|
Поз. |
Артикул для заказа |
Наименование |
Кол. |
|
1. |
4042100500 АИР100L2У3 IM1081 |
Электродвигатель, 5,5 кВт |
1 |
|
2. |
4301106300 или 03010012 |
Ремень А-1600 |
2 |
|
3. |
3129.00.00.104 к двигат. АИР |
Шкив |
1 |
|
4. |
3106.00.00.101 |
Прижим |
1 |
|
5. |
|
Шайба 10.65Г |
9 |
|
6. |
|
Болт М10х20 |
1 |
|
7. |
|
Болт М10х30 |
10 |
|
8. |
|
Шайба 10 |
24 |
|
9. |
|
Гайка М10 |
12 |
|
10. |
4996111673 |
Прессостат MDR3/11 16A 380B |
1 |
|
11. |
4251100202 |
Клапан предохранительный 10 бар |
1 |
|
12. |
3101.00.00.201 |
Переходник |
1 |
|
13. |
3101.00.00.203 |
Заглушка |
1 |
|
14. |
4141101600 |
Манометр |
1 |
|
15. |
3140.00.00.048 |
Заглушка |
1 |
|
16. |
4271000203 |
Амортизатор |
4 |
|
17. |
|
Шайба 12 |
4 |
|
18. |
|
Болт М10х25 |
4 |
|
19. |
3129.00.00.120 |
Платформа |
1 |
|
20. |
4490000000 |
Трубка Rilsan |
1 |
|
21. |
|
Гайка М6 |
1 |
|
22. |
|
Шайба 6 |
2 |
|
23. |
|
Шайба 6, 65Г |
1 |
|
24. |
4121001000 |
Конденсатоотводчик G3/8 |
1 |
|
25. |
3005.00.00.000-01 |
Ресивер |
1 |
|
26. |
3106.00.00.021 |
Переходник |
1 |
|
27. |
4133200300 |
Регулятор давления 1/2 |
1 |
|
28. |
3129.00.00.200 |
Воздухопровод |
1 |
|
29. |
4242133102 |
Клапан обратный 1"х3/4" |
1 |
|
30. |
4111334000 |
Кран |
1 |
|
31. |
|
Болт М10х55 |
4 |
|
32. |
4871401590 |
Провод |
2 |
|
33. |
4381003500 |
Указатель |
1 |
|
34. |
3128.00.00.103 |
Держатель |
1 |
|
35. |
4350010002 |
Распорка |
1 |
|
36. |
4350020002 |
Защелка |
6 |
|
37. |
|
Болт М6х16 |
5 |
|
38. |
|
Шайба 6х18 |
5 |
|
39. |
3106.00.00.500-01 |
Основание |
1 |
|
40. |
3106.00.00.600 |
Крышка |
1 |
|
41. |
4023430020 |
Блок поршневой LB75 |
1 |
