LB75
|
Артикул для заказа |
Наименование |
Применя-емость |
Позиция в деталировке |
|
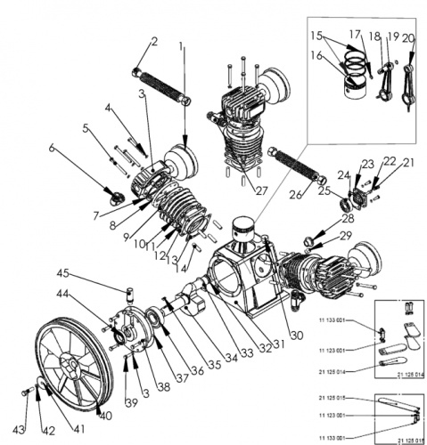
21175003 |
Фильтр воздушный в сборе |
3 |
1 |
|
11114001 |
Гайка Ф19 3/4 |
5 |
2 |
|
21123004 |
Головка цилиндра |
3 |
3 |
|
11123003 |
Граверная шайба Ф8 |
18 |
4 |
|
11131006 |
Болт крышки блока цилиндров М8х80 |
12 |
5 |
|
21173002 |
Угольник |
1 |
6 |
|
21154003 |
Прокладка блока клапанов верхняя Ф80 |
3 |
7 |
|
21124004 |
Клапанная плита в сборе Ф80 |
3 |
8 |
|
21151005 |
Прокладка блока клапанов нижняя Ф80 |
3 |
9 |
|
21121005 |
Цилиндр Ф80 |
3 |
10 |
|
11111003 |
Гайка Ф10 |
12 |
11 |
|
11123004 |
Граверная шайба Ф10 |
12 |
12 |
|
21153003 |
Прокладка цилиндр – картер Ф80 |
3 |
13 |
|
11141003 |
Шпилька М10*38 |
12 |
14 |
|
21145004 |
Комплект поршневых колец Ф80 |
3 |
15 |
|
21141004 |
Поршень Ф80 |
3 |
16 |
|
21144003 |
Кольцо стопорное |
6 |
17 |
|
21143004 |
Палец поршневой Ф15*70 |
3 |
18 |
|
21132007 |
Шатун боковой |
2 |
19 |
|
21132008 |
Шатун центральный |
1 |
20 |
|
11131001 |
Болт крепления крышки М6х20 |
4 |
21 |
|
11123002 |
Граверная шайба Ф6 |
4 |
22 |
|
21112003 |
Задняя крышка |
1 |
23 |
|
21155001 |
Прокладка задней крышки |
1 |
24 |
|
21134002 |
Подшипник 6304 |
1 |
25 |
|
21171004 |
Радиатор |
2 |
26 |
|
21174004 |
Тройник |
2 |
27 |
|
21164004 |
Маслоуказатель |
1 |
28 |
|
21169003 |
Пробка слива масла |
1 |
29 |
|
21167002 |
Пробка залива масла |
1 |
30 |
|
21111021 |
Картер |
1 |
31 |
|
21146004 |
Стопорное кольцо коленвала Ф30 |
1 |
32 |
|
11121009 |
Стопорное кольцо Ф30 |
1 |
33 |
|
21131007 |
Коленвал |
1 |
34 |
|
21136001 |
Сегментная шпонка |
1 |
35 |
|
21134006 |
Подшипник 6307 |
1 |
36 |
|
21152005 |
Прокладка передней крышки подшипника |
1 |
37 |
|
21113005 |
Передняя крышка |
1 |
38 |
|
11131004 |
Болт крепления передней крышки М8х25 |
6 |
39 |
|
21212004 |
Шкив LB50/75 Ф368 |
1 |
40 |
|
11121012 |
Шайба Ф52 |
1 |
41 |
|
11124002 |
Шайба Ф10 |
1 |
42 |
|
11131011 |
Болт шкива М10х45 |
1 |
43 |
|
21161005 |
Манжета передней крышки Ф35*56*12 |
1 |
44 |
|
21166001 |
Сапун |
1 |
45 |
|
21125026 |
Пластина большая (LB75-LB50) |
3 |
8/1 |
|
21125014 |
Пластины мал. в комплекте (комплект - 2 штуки) |
3 |
8/2 |
|
21177010 или 21175007 |
Патрон воздушного фильтра |
3 |
1/1 |
